Home / Toyota Supra Forums

Go Back   Toyota Supra Forums! Join the Supra forum! > Performance, Modification, and Maintenance Forums - for generation specific discussions > MKIII Supra

Reply
 
Thread Tools Display Modes
Old 04-24-2011, 08:22 AM   #1
Cyberguy1992
Stock
 
Cyberguy1992's Avatar
 
Join Date: Apr 2009
Location: Illinois
Posts: 23
Cyberguy1992 is on a distinguished road
Default HAC sensor wiring diagram.. HELP plz..

I think they only put this HAC(High altitude sensor) in 86 and 87 supras with the 7MGTE engine... I had to send new wires from my throttle body strait to the ECU and it still hasn't been running right. Now I just found out that the HAC sensor gets an input from the throttle sensor. I know that what ever that wir is it's not hooked up now.

So what I need is a wiring diagram for this HAC sensor.
Cyberguy1992 is offline   Reply With Quote
Old 04-24-2011, 06:48 PM   #2
cre

Toyota
Racing
Development
 
cre's Avatar
 
Join Date: Apr 2007
Posts: 5,038
cre has a reputation beyond reputecre has a reputation beyond reputecre has a reputation beyond reputecre has a reputation beyond reputecre has a reputation beyond reputecre has a reputation beyond reputecre has a reputation beyond reputecre has a reputation beyond reputecre has a reputation beyond repute
Default

The GTE wasn't available in any '86 models (not in any '86.5 models either ). The HAC is present in ALL KVAFM equipped 7M's, it's just been moved inside the ECU on later models. You need a TSRM or TEWD from '87 or '88. Below you'll find links for '87. It has the TSRM wiring diagrams (Not as pretty, but they work).

http://www.turboninjas.com/mk3supra/

I don't recall the HAC getting a THA signal at all. The HAC is a little black box mounted on the back side of the lower glove box support. It's nothing more than a MAP sensor.

I sold all my pre89 manuals some time ago as I seldom needed them for anything which isn't covered in the '89.
__________________
If something breaks or you need to contact a member of the administration please post HERE. Unless it's a private or administration matter please post it on the forum. It benefits no one else if car related questions aren't posted for future users and takes away from the time I'm able to spend helping on the rest of the forum.

If you're so inclined I'm always more than happy to accept tips via PayPal.
Tip Jar --->
cre is offline   Reply With Quote
Old 04-24-2011, 07:49 PM   #3
Cyberguy1992
Stock
 
Cyberguy1992's Avatar
 
Join Date: Apr 2009
Location: Illinois
Posts: 23
Cyberguy1992 is on a distinguished road
Default Worried about V or VC

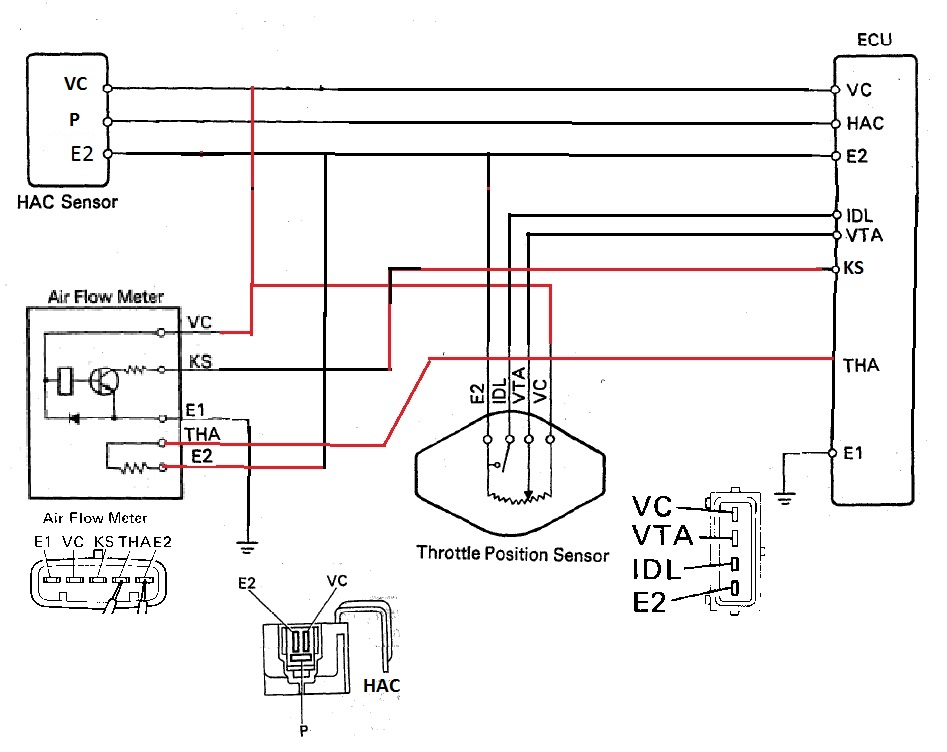
The HAC dosn't get THA, i'm worried about V.. I'm guessing that V is the same as VC.

Is there any thing else that goes on VC?

The EFI TSRM doesn't show what wires specifically go to the HAC sensor I know E2 is the ground for all sensors but V doesn't even show up on the ECU pin out that I have.

I put this Diagram together and this is my guess. The second diagram (with only the HAC sensor) Came strait from the manual... Just to show that somthing from the HAC does hook in with the throttle sensor and the Air Flow Meter..
Attached Thumbnails
Click image for larger version

Name:	HAC-Air Flow-TPS.jpg
Views:	4554
Size:	118.3 KB
ID:	3906   Click image for larger version

Name:	Untitled.jpg
Views:	1313
Size:	13.6 KB
ID:	3908  
Cyberguy1992 is offline   Reply With Quote
Old 04-24-2011, 08:02 PM   #4
cre

Toyota
Racing
Development
 
cre's Avatar
 
Join Date: Apr 2007
Posts: 5,038
cre has a reputation beyond reputecre has a reputation beyond reputecre has a reputation beyond reputecre has a reputation beyond reputecre has a reputation beyond reputecre has a reputation beyond reputecre has a reputation beyond reputecre has a reputation beyond reputecre has a reputation beyond repute
Default

Vc is just a constant voltage signal provided by the ECU to certain sensors... it's a power supply line for lower power devices. Should be around 4.8v with load.
__________________
If something breaks or you need to contact a member of the administration please post HERE. Unless it's a private or administration matter please post it on the forum. It benefits no one else if car related questions aren't posted for future users and takes away from the time I'm able to spend helping on the rest of the forum.

If you're so inclined I'm always more than happy to accept tips via PayPal.
Tip Jar --->
cre is offline   Reply With Quote
Old 04-24-2011, 08:12 PM   #5
Cyberguy1992
Stock
 
Cyberguy1992's Avatar
 
Join Date: Apr 2009
Location: Illinois
Posts: 23
Cyberguy1992 is on a distinguished road
Default Thx

Okay... that makes sense for the HAC to need a negative and a positive to come up with its signal...

Thanx
Cyberguy1992 is offline   Reply With Quote
Old 04-24-2011, 08:23 PM   #6
cre

Toyota
Racing
Development
 
cre's Avatar
 
Join Date: Apr 2007
Posts: 5,038
cre has a reputation beyond reputecre has a reputation beyond reputecre has a reputation beyond reputecre has a reputation beyond reputecre has a reputation beyond reputecre has a reputation beyond reputecre has a reputation beyond reputecre has a reputation beyond reputecre has a reputation beyond repute
Default

Are you trying to troubleshoot it or bypass it?

EDIT: If you're looking to bypass it, here's my site with info on MAFT Pro installations and as such info on bypassing the HAC sensor: http://www.fadingworld.com/CRE/Autom...ra/Electrical/ See the GTE install wiring diagram for SD. It's quite easy but for most it's easier to see it than just read it.
__________________
If something breaks or you need to contact a member of the administration please post HERE. Unless it's a private or administration matter please post it on the forum. It benefits no one else if car related questions aren't posted for future users and takes away from the time I'm able to spend helping on the rest of the forum.

If you're so inclined I'm always more than happy to accept tips via PayPal.
Tip Jar --->

Last edited by cre; 04-24-2011 at 08:30 PM.
cre is offline   Reply With Quote
Old 04-24-2011, 08:54 PM   #7
Cyberguy1992
Stock
 
Cyberguy1992's Avatar
 
Join Date: Apr 2009
Location: Illinois
Posts: 23
Cyberguy1992 is on a distinguished road
Default

I'm going to make a new engine harness and I'm just trying to gather a diagram for the '87.. do the newer ECU pin outs have the same exact names as the one for the '87 and they are just arranged differently?
Cyberguy1992 is offline   Reply With Quote
Old 04-24-2011, 10:00 PM   #8
cre

Toyota
Racing
Development
 
cre's Avatar
 
Join Date: Apr 2007
Posts: 5,038
cre has a reputation beyond reputecre has a reputation beyond reputecre has a reputation beyond reputecre has a reputation beyond reputecre has a reputation beyond reputecre has a reputation beyond reputecre has a reputation beyond reputecre has a reputation beyond reputecre has a reputation beyond repute
Default

Look at the diagrams on my site for the '87 - '88 pinouts and cygnusx1 for the '89 - '90. Most are similarly named.... I usually buy an old harness and replace the wires one at a time. Have fun, it sucks!
__________________
If something breaks or you need to contact a member of the administration please post HERE. Unless it's a private or administration matter please post it on the forum. It benefits no one else if car related questions aren't posted for future users and takes away from the time I'm able to spend helping on the rest of the forum.

If you're so inclined I'm always more than happy to accept tips via PayPal.
Tip Jar --->
cre is offline   Reply With Quote
Reply

Tags
hac, hac sensor


Posting Rules
You may not post new threads
You may not post replies
You may not post attachments
You may not edit your posts

BB code is On
Smilies are On
[IMG] code is On
HTML code is Off
Trackbacks are Off
Pingbacks are Off
Refbacks are Off

Forum Jump

Similar Threads
Thread Thread Starter Forum Replies Last Post
1987 Supra wire diagram scrid MKIII Supra 4 04-24-2011 05:42 PM
Wiring diagram? dannydavi MKIII Supra 3 04-07-2009 04:18 AM
Diagram or photos how to get interior panel off? stanley2001 Exterior , Interior, and Detailing 1 08-20-2007 03:44 PM
HLP - 87 fog light diagram kaves_420 Non-Generation Specific Questions 1 10-28-2006 04:49 PM
Vaccum diagram??? h8z2luze MKIII Supra 5 08-11-2006 02:47 AM


All times are GMT. The time now is 07:34 AM.


Powered by vBulletin® Version 3.8.7
Copyright ©2000 - 2026, vBulletin Solutions, Inc.

1986



1 2 3 4 5 6 7 8 9 10 11 12 13 14 15 16 17 18 19 20 21 22 23 24 25 26 27 28 29 30 31 32 33 34 35 36 37 38 39 40 41 42 43 44 45 46 47 48 49 50 51 52 53 54 55 56 57 58 59 60 61 62 63 64 65 66 67 68 69 70 71 72 73 74 75 76 77 78 79 80 81 82 83 84 85 86 87 88